The Japan Times - Des neurones doués de sensations ont appris à jouer à un jeu vidéo (étude)

EUR -
AED 4.356256
AFN 77.102519
ALL 96.729833
AMD 453.280378
ANG 2.123363
AOA 1087.730931
ARS 1716.407515
AUD 1.703027
AWG 2.138096
AZN 2.01145
BAM 1.957011
BBD 2.40819
BDT 146.110377
BGN 1.992042
BHD 0.449378
BIF 3542.291098
BMD 1.186184
BND 1.514237
BOB 8.262111
BRL 6.235172
BSD 1.19564
BTN 109.797916
BWP 15.644677
BYN 3.405506
BYR 23249.200887
BZD 2.404687
CAD 1.615618
CDF 2686.705937
CHF 0.916565
CLF 0.026028
CLP 1027.744898
CNY 8.246052
CNH 8.251497
COP 4352.992561
CRC 592.066225
CUC 1.186184
CUP 31.433869
CVE 110.333247
CZK 24.330941
DJF 212.911697
DKK 7.467917
DOP 75.276563
DZD 154.566608
EGP 55.909475
ERN 17.792756
ETB 185.73929
FJD 2.61512
FKP 0.866428
GBP 0.866359
GEL 3.196822
GGP 0.866428
GHS 13.098102
GIP 0.866428
GMD 86.591171
GNF 10491.489553
GTQ 9.170673
GYD 250.144728
HKD 9.263715
HNL 31.558521
HRK 7.534519
HTG 156.476789
HUF 381.053191
IDR 19896.452606
ILS 3.665789
IMP 0.866428
INR 108.766523
IQD 1566.368884
IRR 49967.989338
ISK 145.081737
JEP 0.866428
JMD 187.365896
JOD 0.841039
JPY 183.859615
KES 154.365483
KGS 103.731752
KHR 4807.973992
KMF 492.265869
KPW 1067.565349
KRW 1720.932795
KWD 0.364064
KYD 0.996416
KZT 601.341962
LAK 25730.915962
LBP 107070.628969
LKR 369.758716
LRD 215.513307
LSL 18.984543
LTL 3.502492
LVL 0.71751
LYD 7.502641
MAD 10.845709
MDL 20.110439
MGA 5343.305123
MKD 61.678151
MMK 2491.375458
MNT 4230.383521
MOP 9.614947
MRU 47.706509
MUR 53.888177
MVR 18.338709
MWK 2073.282437
MXN 20.709403
MYR 4.675926
MZN 75.630943
NAD 18.984543
NGN 1644.620269
NIO 43.997215
NOK 11.444004
NPR 175.676666
NZD 1.96843
OMR 0.458323
PAB 1.19564
PEN 3.997573
PGK 5.118166
PHP 69.884035
PKR 334.513515
PLN 4.213639
PYG 8008.953971
QAR 4.359296
RON 5.100467
RSD 117.472663
RUB 90.549444
RWF 1744.479055
SAR 4.450194
SBD 9.550693
SCR 17.214648
SDG 713.492182
SEK 10.570575
SGD 1.508244
SHP 0.889945
SLE 28.853899
SLL 24873.67862
SOS 683.322672
SRD 45.134883
STD 24551.608082
STN 24.515164
SVC 10.461471
SYP 13118.687676
SZL 18.978739
THB 37.242691
TJS 11.161404
TMT 4.151643
TND 3.435325
TOP 2.856045
TRY 51.596109
TTD 8.118021
TWD 37.48105
TZS 3078.804407
UAH 51.245698
UGX 4274.644098
USD 1.186184
UYU 46.3987
UZS 14617.04143
VES 410.350069
VND 30769.605664
VUV 140.90849
WST 3.215484
XAF 656.362996
XAG 0.014208
XAU 0.000248
XCD 3.205721
XCG 2.154833
XDR 0.816305
XOF 656.362996
XPF 119.331742
YER 282.697194
ZAR 19.196652
ZMK 10677.081704
ZMW 23.464514
ZWL 381.950673
  • AEX

    4.6900

    1001.65

    +0.47%

  • BEL20

    11.8200

    5385.38

    +0.22%

  • PX1

    54.8900

    8126.53

    +0.68%

  • ISEQ

    182.8100

    13147.76

    +1.41%

  • OSEBX

    3.8600

    1760.38

    +0.22%

  • PSI20

    17.2900

    8662.19

    +0.2%

  • ENTEC

    -5.8300

    1416.23

    -0.41%

  • BIOTK

    -39.8700

    4028.03

    -0.98%

  • N150

    11.3700

    3930.64

    +0.29%

Des neurones doués de sensations ont appris à jouer à un jeu vidéo (étude)
Des neurones doués de sensations ont appris à jouer à un jeu vidéo (étude) / Photo: Handout - AFP

Des neurones doués de sensations ont appris à jouer à un jeu vidéo (étude)

Des neurones cultivés dans une boîte de Petri sont capables d'apprendre à jouer à Pong, le grand classique des jeux vidéo, faisant ainsi preuve d'un "comportement intelligent et doué de sensations", selon des chercheurs en neurosciences australiens.

Taille du texte:

Cette étude, publiée mercredi dans la revue scientifique Neuron, ouvre la voie à un nouveau type de recherches qui pourraient un jour se servir de neurones pour traiter des informations, sorte de machines biologiques qui épauleraient les ordinateurs numériques, selon le chercheur ayant mené les recherches, Brett Kagan.

"Les machines sont incapables d'apprendre très rapidement des choses. Pour qu'un algorithme de +machine learning+ (l'apprentissage automatique, une technique d'intelligence artificielle, NDLR) apprenne quelque chose, il a besoin de milliers d'échantillons de données", a-t-il expliqué.

Tandis qu'"un chien peut apprendre un tour en deux ou trois essais", note-t-il.

Les neurones sont au fondement de l'intelligence chez tous les animaux, des insectes aux humains.

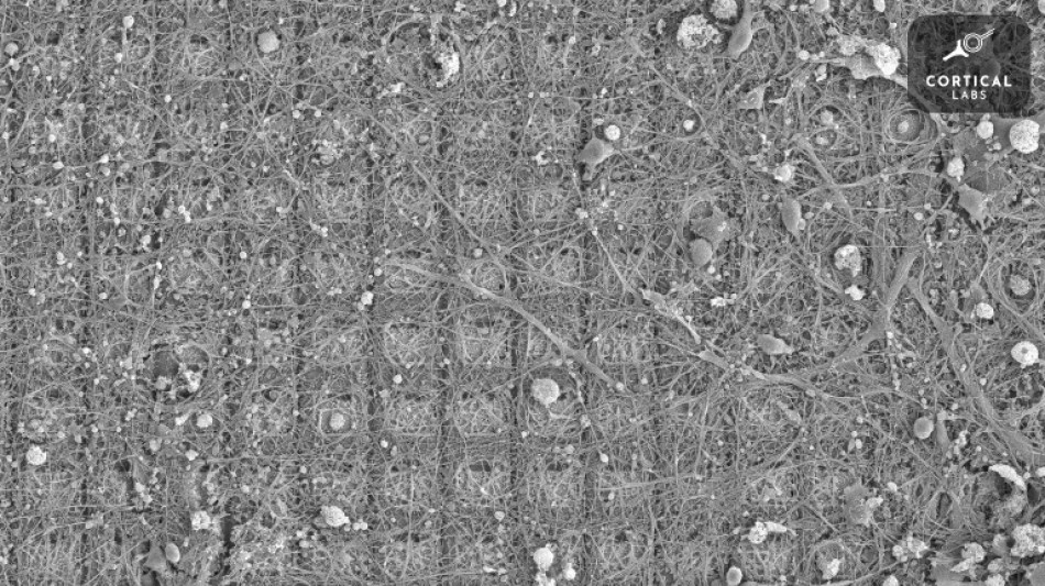
Pour leur expérience, visant à découvrir s'il était possible d'exploiter l'intelligence inhérente des neurones, Brett Kagan et ses collègues ont prélevé des neurones de cerveaux embryonnaires de souris ainsi que des neurones issus de cellules souches d'humains adultes.

Ils ont ensuite cultivé ces neurones autour de matrices de microélectrodes capables de détecter leur activité et de les stimuler. Les expériences ont concerné des amas d'environ 800.000 neurones, la taille du cerveau d'un bourdon.

Dans une sorte de version simplifiée du jeu de tennis Pong, un signal était ensuite envoyé depuis la droite ou la gauche pour indiquer l'emplacement d'une balle et l'amas de neurones, baptisé par les chercheurs "DishBrain" (ou cerveau en boîte en français), répondait par un autre signal pour déplacer la raquette.

- "Principe de l'énergie libre" -

Un des principaux obstacles était de trouver comment amener les neurones à apprendre une tâche.

De précédents travaux avaient suggéré de les gratifier d'une dose d'"hormone du bonheur", la dopamine, à chaque action correcte -- mais cela s'est révélé difficile à accomplir avec la vitesse nécessaire.

A la place, l'équipe du Dr Kagan s'est appuyée sur la théorie dite du "principe de l'énergie libre" introduite il y a plus de dix ans par Karl Friston, l'auteur principal de l'étude publiée mercredi, et selon laquelle les cellules cherchent instinctivement à minimiser l'imprévisibilité de leur environnement.

Quand les neurones parvenaient à frapper la balle à l'aide de la raquette, ils recevaient donc une information prévisible indiquant leur réussite. Mais quand ils rataient leur coup, le signal reçu était aléatoire, imprévisible.

"La seule façon pour les neurones de faire en sorte que leur monde reste contrôlable et prévisible était de mieux réussir à toucher la balle", a détaillé Brett Kagan.

Son équipe considère que DishBrain est "sensible" -- ce qu'ils définissent comme étant capable de percevoir des informations sensorielles et d'y répondre de façon dynamique --, mais ne vont pas jusqu'à parler de "conscience", ce qui implique d'avoir conscience de sa propre existence.

Ce "cerveau en boîte" s'est même essayé au jeu qui remplace le moteur de recherche de Google en cas d'absence de connexion internet, qui consiste à faire courir un dinosaure parmi des obstacles, et les premiers résultats ont été encourageants, a indiqué Brett Kagan.

Les scientifiques veulent ensuite tester la manière dont des médicaments et l'alcool affectent l'intelligence de ces neurones, mais le Dr Kagan est surtout enthousiaste à l'idée de la possibilité de développer des ordinateurs biologiques.

"C'est (une expérience de) neurosciences rigoureuse et intéressante", estime Tara Spires-Jones, de l'université d'Edimbourg, qui n'a pas participé à l'étude.

"Pas d'inquiétude, même si ces boîtes de neurones peuvent modifier leurs réponses lorsqu'elles sont stimulées, ce ne sont pas des boîtes douées d'intelligence de type science fiction, ce sont de simples (bien qu'intéressants et importants d'un point de vue scientifique) réponses de circuit", rassure-t-elle.

S.Suzuki--JT