The Japan Times - Des neurones doués de sensations ont appris à jouer à un jeu vidéo

EUR -
AED 4.259303
AFN 74.22611
ALL 96.551845
AMD 437.423681
ANG 2.076108
AOA 1063.520759
ARS 1603.426694
AUD 1.670482
AWG 2.089059
AZN 1.969884
BAM 1.97852
BBD 2.334821
BDT 142.233303
BGN 1.982428
BHD 0.437918
BIF 3437.597105
BMD 1.159783
BND 1.496586
BOB 8.009981
BRL 6.013124
BSD 1.159217
BTN 110.308704
BWP 15.991636
BYN 3.447286
BYR 22731.748738
BZD 2.331372
CAD 1.611049
CDF 2650.104591
CHF 0.920284
CLF 0.027217
CLP 1074.666797
CNY 7.986904
CNH 7.975422
COP 4272.153827
CRC 538.991709
CUC 1.159783
CUP 30.734252
CVE 111.194204
CZK 24.528079
DJF 206.11681
DKK 7.472233
DOP 69.694725
DZD 153.936039
EGP 62.028851
ERN 17.396746
ETB 182.144127
FJD 2.618099
FKP 0.879697
GBP 0.872522
GEL 3.119424
GGP 0.879697
GHS 12.757593
GIP 0.879697
GMD 85.823837
GNF 10177.096187
GTQ 8.869894
GYD 242.59685
HKD 9.091093
HNL 30.850972
HRK 7.532097
HTG 152.147146
HUF 382.401946
IDR 19688.477886
ILS 3.630643
IMP 0.879697
INR 108.149542
IQD 1519.31586
IRR 1526129.585322
ISK 143.406714
JEP 0.879697
JMD 183.395985
JOD 0.822264
JPY 183.848237
KES 150.922446
KGS 101.422787
KHR 4650.729677
KMF 496.96958
KPW 1043.739082
KRW 1744.201987
KWD 0.358652
KYD 0.965993
KZT 552.302234
LAK 25457.239207
LBP 103811.147156
LKR 365.701019
LRD 213.023174
LSL 19.79777
LTL 3.424537
LVL 0.701541
LYD 7.428455
MAD 10.835269
MDL 20.529749
MGA 4845.573542
MKD 61.647557
MMK 2436.015377
MNT 4143.582844
MOP 9.360427
MRU 46.518682
MUR 54.266061
MVR 17.942045
MWK 2014.542824
MXN 20.679627
MYR 4.665231
MZN 74.168171
NAD 19.797749
NGN 1605.673396
NIO 42.598236
NOK 11.201359
NPR 176.493725
NZD 2.011151
OMR 0.445936
PAB 1.159212
PEN 4.05465
PGK 5.091545
PHP 69.803809
PKR 323.812422
PLN 4.285224
PYG 7509.230498
QAR 4.226281
RON 5.097944
RSD 117.397948
RUB 93.419721
RWF 1693.283324
SAR 4.353209
SBD 9.327019
SCR 16.081944
SDG 697.029048
SEK 10.864388
SGD 1.487561
SHP 0.870138
SLE 28.472524
SLL 24320.084247
SOS 662.813499
SRD 43.345698
STD 24005.168553
STN 25.196288
SVC 10.143525
SYP 128.442852
SZL 19.79818
THB 37.773559
TJS 11.111092
TMT 4.070839
TND 3.398268
TOP 2.792479
TRY 51.581242
TTD 7.87547
TWD 37.051614
TZS 3001.87936
UAH 50.927939
UGX 4364.133322
USD 1.159783
UYU 47.030059
UZS 14144.133325
VES 548.899652
VND 30544.627583
VUV 139.456948
WST 3.221545
XAF 663.577032
XAG 0.015574
XAU 0.000246
XCD 3.134372
XCG 2.089191
XDR 0.82455
XOF 661.664399
XPF 119.331742
YER 276.782431
ZAR 19.51792
ZMK 10439.437724
ZMW 22.158451
ZWL 373.449685
  • AEX

    13.2500

    973.05

    +1.38%

  • BEL20

    123.7900

    5197.13

    +2.44%

  • PX1

    154.7700

    7971.51

    +1.98%

  • ISEQ

    196.5100

    12252.29

    +1.63%

  • OSEBX

    -14.8900

    2053.05

    -0.72%

  • PSI20

    146.1100

    9277.88

    +1.6%

  • ENTEC

    -5.8300

    1416.23

    -0.41%

  • BIOTK

    62.7400

    3689.24

    +1.73%

  • N150

    70.2700

    3931.38

    +1.82%

Des neurones doués de sensations ont appris à jouer à un jeu vidéo
Des neurones doués de sensations ont appris à jouer à un jeu vidéo / Photo: Handout - AFP

Des neurones doués de sensations ont appris à jouer à un jeu vidéo

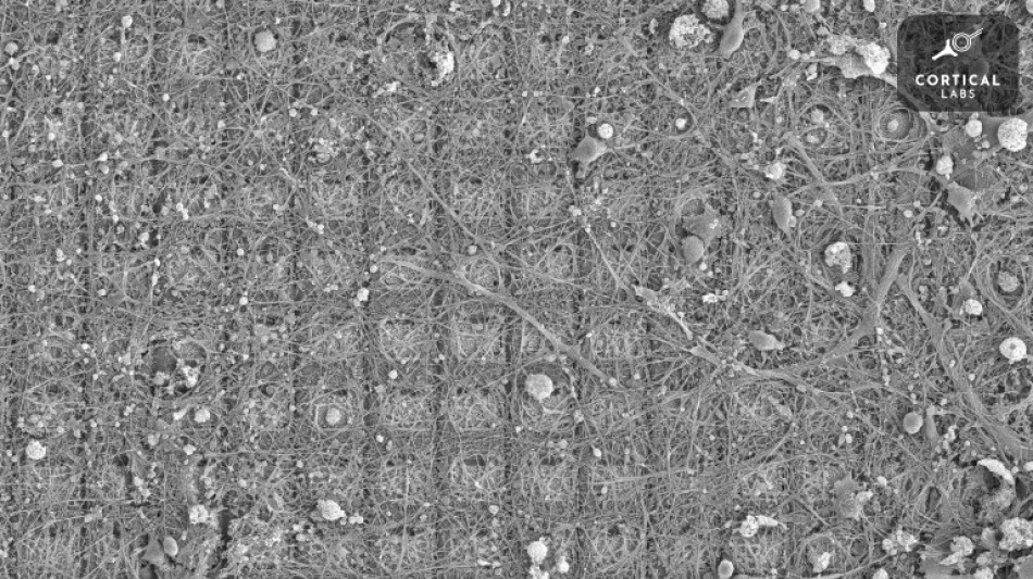
Des neurones cultivés dans une boîte de Petri sont capables d'apprendre à jouer à Pong, le grand classique des jeux vidéo, faisant ainsi preuve d'un "comportement intelligent et doué de sensations", selon des chercheurs en neurosciences australiens.

Taille du texte:

Cette étude, publiée mercredi dans la revue scientifique Neuron, ouvre la voie à un nouveau type de recherches qui pourraient un jour se servir de neurones pour traiter des informations, sorte de machines biologiques qui épauleraient les ordinateurs numériques, selon le chercheur ayant mené les recherches, Brett Kagan.

"Les machines sont incapables d'apprendre très rapidement des choses. Pour qu'un algorithme de +machine learning+ (l'apprentissage automatique, une technique d'intelligence artificielle, NDLR) apprenne quelque chose, il a besoin de milliers d'échantillons de données", a-t-il expliqué.

Tandis qu'"un chien peut apprendre un tour en deux ou trois essais", note-t-il.

Les neurones sont au fondement de l'intelligence chez tous les animaux, des insectes aux humains.

Pour leur expérience, visant à découvrir s'il était possible d'exploiter l'intelligence inhérente des neurones, Brett Kagan et ses collègues ont prélevé des neurones de cerveaux embryonnaires de souris ainsi que des neurones issus de cellules souches d'humains adultes.

Ils ont ensuite cultivé ces neurones autour de matrices de microélectrodes capables de détecter leur activité et de les stimuler. Les expériences ont concerné des amas d'environ 800.000 neurones, la taille du cerveau d'un bourdon.

Dans une sorte de version simplifiée du jeu de tennis Pong, un signal était ensuite envoyé depuis la droite ou la gauche pour indiquer l'emplacement d'une balle et l'amas de neurones, baptisé par les chercheurs "DishBrain" (ou cerveau en boîte en français), répondait par un autre signal pour déplacer la raquette.

- "Principe de l'énergie libre" -

Un des principaux obstacles était de trouver comment amener les neurones à apprendre une tâche.

De précédents travaux avaient suggéré de les gratifier d'une dose d'"hormone du bonheur", la dopamine, à chaque action correcte -- mais cela s'est révélé difficile à accomplir avec la vitesse nécessaire.

A la place, l'équipe du Dr Kagan s'est appuyée sur la théorie dite du "principe de l'énergie libre" introduite il y a plus de dix ans par Karl Friston, l'auteur principal de l'étude publiée mercredi, et selon laquelle les cellules cherchent instinctivement à minimiser l'imprévisibilité de leur environnement.

Quand les neurones parvenaient à frapper la balle à l'aide de la raquette, ils recevaient donc une information prévisible indiquant leur réussite. Mais quand ils rataient leur coup, le signal reçu était aléatoire, imprévisible.

"La seule façon pour les neurones de faire en sorte que leur monde reste contrôlable et prévisible était de mieux réussir à toucher la balle", a détaillé Brett Kagan.

Son équipe considère que DishBrain est "sensible" -- ce qu'ils définissent comme étant capable de percevoir des informations sensorielles et d'y répondre de façon dynamique --, mais ne vont pas jusqu'à parler de "conscience", ce qui implique d'avoir conscience de sa propre existence.

Ce "cerveau en boîte" s'est même essayé au jeu qui remplace le moteur de recherche de Google en cas d'absence de connexion internet, qui consiste à faire courir un dinosaure parmi des obstacles, et les premiers résultats ont été encourageants, a indiqué Brett Kagan.

Les scientifiques veulent ensuite tester la manière dont des médicaments et l'alcool affectent l'intelligence de ces neurones, mais le Dr Kagan est surtout enthousiaste à l'idée de la possibilité de développer des ordinateurs biologiques.

"C'est (une expérience de) neurosciences rigoureuse et intéressante", estime Tara Spires-Jones, de l'université d'Edimbourg, qui n'a pas participé à l'étude.

"Pas d'inquiétude, même si ces boîtes de neurones peuvent modifier leurs réponses lorsqu'elles sont stimulées, ce ne sont pas des boîtes douées d'intelligence de type science fiction, ce sont de simples (bien qu'intéressants et importants d'un point de vue scientifique) réponses de circuit", rassure-t-elle.

K.Tanaka--JT